Описание
Пеносливные устройства предназначены для формирования выхода низкократной пены при надслойном (подачей сверху) способе тушении резервуаров.
|
|
|
|
ТИП 1для направления пены на стенку резервуара |
ТИП 2для направления пены на зеркало нефтепродукта вдоль стенки резервуара |
ТИП 3для резервуаров с плавающей крышей |
Технические характеристики
|
Модель |
Тип 1, Тип 2, Тип 3 |
|
Условный диаметр, мм Тип 1 и Тип 2 |
50–250 |
|
Материал корпуса Тип 1 и Тип 2 |
углеродистая сталь |
|
Условный диаметр, мм Тип 3 |
100 |
|
Материал корпуса Тип 3 |
бронза или антикоррозийный сплав |
|
Входное соединение Тип 1 и Тип 2 |
фланецевое |
|
Входное соединение, мм Тип 3 |
100, 150, по запросу |
|
Защитное покрытие |
многослойное полиуретановое покрытие красного цвета |
|
Опции |
материал корпуса – нержавеющая сталь, горячая оцинковка корпуса Тип 1 и Тип 2, тип фланца, отличный от стандартного, количество циклов покраски по запросу заказчика |
|
Масса Тип 1 |
Тип 1, Ду 50: ~5 кг Тип 1, Ду 80: ~7 кг Тип 1, Ду 100: ~11 кг Тип 1, Ду 150: ~21 кг Тип 1, Ду 200: ~35 кг Тип 1, Ду 250: ~45 кг |
|
Масса Тип 2 |
Тип 2, Ду 50: ~3,5 кг Тип 2, Ду 65: ~4,9 кг Тип 2, Ду 80: ~5,2 кг Тип 2, Ду 100: ~8 кг Тип 2, Ду 150: ~11,8 кг Тип 2, Ду 200: ~13 кг Тип 2, Ду 250: ~16 кг |
|
Масса Тип 3 |
~13 кг |
Тип-1. Пример установки

Тип 1, тип 2, тип 3. Пример установки

Тип 1. Общий вид

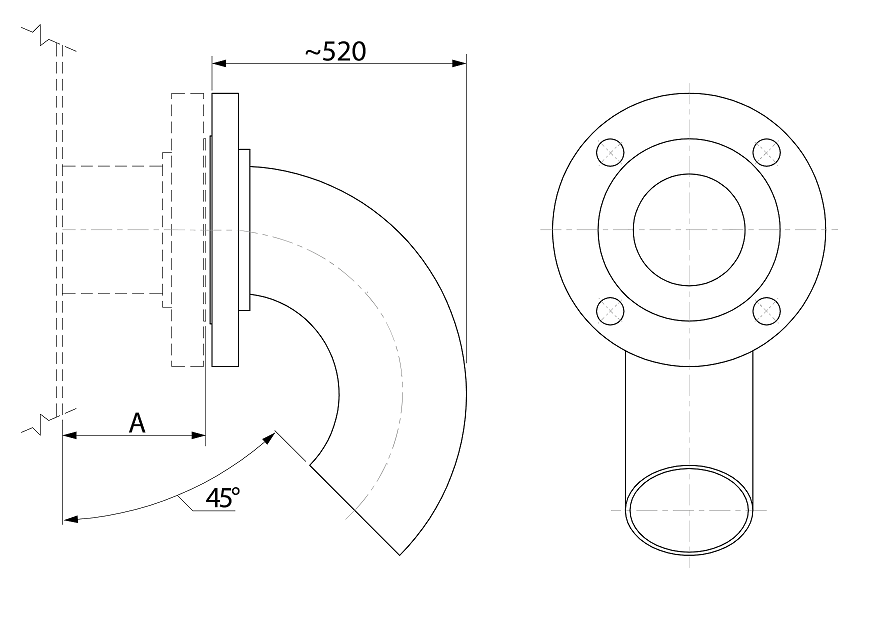
Тип 2. Общий вид

Тип 3. Общий вид





