Описание
Камера низкократной пены (КНП) PROFIREX выпускаемая по ТУ 29.99.39-013-65344199-2022 предназначена для получения воздушно-механической пены низкой кратности и последующей ее подачи на поверхность горючей жидкости посредством пеносливов. Применяется в стационарных системах пожаротушения резервуаров подачей сверху, а также в комбинированных системах тушения.
Используются для противопожарной защиты:
- Вертикальных стальных резервуаров.
- Вертикальных стальных резервуаров с понтоном.
- Вертикальных стальных резервуаров c плавающей крышей.
- Железобетонных резервуаров.
В состав камеры низкократной пены входят:
Генератор низкократной пены, обеспечивающий получение воздушно-механической пены путем эжекции воздуха в линию с рабочим раствором.
Собственно пенная камера цилиндрической формы с установленной внутри разрывной мембраной, предназначенной для предотвращения проникновения паров в систему пожаротушения. Мембрана разрушается под воздействием потока пены при срабатывании системы.
Подключение камеры низкократной пены в систему фланцевое – входной фланец пеногенератора и выходной фланец, предназначенный для монтажа на стенку резервуара или для непосредственной установки пенослива.
СОВМЕСТИМЫЕ ПЕНОСЛИВЫ
|
|
|
|
ТИП 1для направления пены на стенку резервуара |
ТИП 2для направления пены на зеркало нефтепродукта вдоль стенки резервуара |
ТИП 3для резервуаров с плавающей крышей |
Технические характеристики
|
Модель |
КНП PROFIREX |
|
Рабочее давление |
0,5 Мпа (иное по запросу) |
|
Материал корпуса |
Сталь 09Г2С |
|
Тип и параметры входного и выходного фланцев |
Согласно таблице массогабаритных параметров, иное по запросу |
|
Узел подачи воздуха |
Обратный клапан с фильтром |
|
Материал разрывной мембраны |
Стекло, алюминий |
|
Опции |
Материал корпуса – нержавеющая сталь 03Х17Н14М2, количество циклов покраски по запросу заказчика |
|
Совместимость |
Пеносливы тип 1, тип 2, тип 3 |
|
Защитное покрытие |
Многослойное полиуретановое красного цвета |
Примечание. (*) – указанный в таблице расход может варьироваться в пределах (+/-)10%.
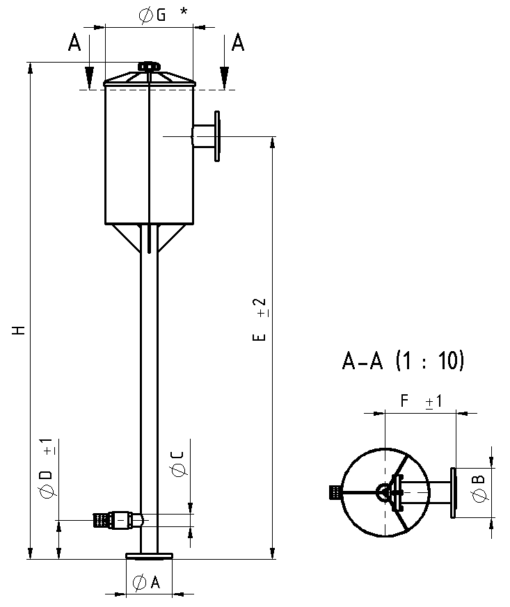
Массогабаритные параметры
|
Мод. |
A, Ду |
B, Ду |
C, Ду |
D, мм |
E, мм |
F, мм |
G, мм |
H, мм |
Расход |
Масса |
|
КНП-1 |
40 |
50 |
40 |
109 |
1200 |
200 |
250 |
1410 |
до 300 л/мин, |
15 кг |
|
КНП-2 |
65 |
16 кг |
||||||||
|
КНП-3 |
80 |
17 кг |
||||||||
|
КНП-4 |
100 |
19 кг |
||||||||
|
КНП-5 |
50 |
65 |
300–2000 л/мин, 0,5Мпа (5 атм.) |
17 кг |
||||||
|
КНП-6 |
80 |
18 кг |
||||||||
|
КНП-7 |
100 |
21 кг |
||||||||
|
КНП-8 |
65 |
80 |
20 кг |
|||||||
|
КНП-9 |
100 |
22 кг |
||||||||
|
КНП-10 |
80 |
23 кг |
||||||||
|
КНП-11 |
80 |
150 |
50 |
170 |
1500 |
300 |
400 |
1815 |
2000–3250 л/мин, |
43 кг |
|
КНП-12 |
200 |
49 кг |
||||||||
|
КНП-13 |
100 |
150 |
47 кг |
|||||||
|
КНП-14 |
200 |
52 кг |
||||||||
|
КНП-15 |
150 |
59 кг |
Примечание. Указанный в таблице расход может варьироваться в пределах 10%
КНП PROFIREX. Общий вид





