Описание
Разрывную мембрану (МР) используют для удержания нефтепродуктов, которые находятся в резервуаре, от попадание их в пенопровод, используемый системой подслойного тушения пожаров. Её устанавливают рядом со стенками резервуара снаружи. При возникновении давления в системе пожаротушения мембрана вскрывается и доставляет пену непосредственно в слой нефтепродуктов.
Разрывные мембраны (МР) применяются в таких случаях:
- для безкамерных установок, где пена подается сверху в резервуары хранения нефтепродуктов. Такая система подачи нужна для снижения риска попадания паров нефтепродуктов в систему подачи раствора к нулю;
- для установок подслойного пожаротушения нефтепродуктов. Там мембрана удерживает и предотвращает попадание паров нефтепродуктов в систему подачи пены, а также удерживает столб давления нефтепродуктов;
- для других установок водяного охлаждения и тушения пожаров, где нужно свести до минимума риски попадания газов и паров, которые появляются при проведении производственных процессов, в трубопроводы подачи пены.
- при разработке конструкции МР было предусмотрена система открытия проходного сечения. Это нужно для подачи сквозь неё смеси для тушения пожара или воды с заранее созданными гидравлическими параметрами.
Мембрана МР по устойчивости к агрессивному воздействию климата согласно ГОСТу 15150-69 производится в исполнениях УХЛ, ХЛ, У, Т, ОМ.
Основные отличительные особенности от аналогов
- расположенный между рабочим элементом и корпусом МР элемент герметизации полностью защищен от ненужного контакта с щелевыми отверстиями;
- конструкторские решения согласно герметизирующего элемента МР позволяют производить замену МР без отправления её на фабрику-изготовителя. Это достигается за счет создания МР в виде сборочной детали;
- при процессах слива нефтепродуктов, в том числе и работы системы «Диоген» в нефтехранилищах, полностью исключены нарушения целостности МР;
- в конструкции МР применяется специальный стопор для рабочего элемента. Это снижает риск разрыва мембраны при транспортировке и монтаже до минимума. Стопор убирается если мембрану устанавливают между фланцами;
- благодаря наличию в конструкции направляющих возможность неправильной установки мембраны снижена до нуля.
Если заказчик потребует, то изготовитель укомплектует разрывную мембрану дополнительными резервными элементами. Отличные эксплуатационные характеристики, большая область назначения и широкий типоряд дают возможность широко использовать МР в нефтяной промышленности и не только.
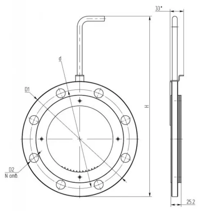
Технические характеристики

|
МР-80 |
МР-100 |
МР-150 |
МР-200 |
МР-250 |
|
|
H |
353 |
373 |
438 |
493 |
563 |
|
D |
195 |
215 |
280 |
335 |
405 |
|
D2 |
18 |
22 |
26 |
||
|
d |
160 |
180 |
240 |
295 |
355 |
|
N |
4 |
8 |
8/12** |
12 |
|
|
Масса (не более) |
3,5 |
6 |
8 |
10 |
12 |
Основные технические характеристики МР
Максимальное давление нефтяного столба со стороны резервуара хранения для МР-(50-300) равна 0,3 МПа;
Минимальное преимущество пенного давления над давлением нефтяного столба, которое нужно для раскрытия сечения подачи пены со стороны резервуара хранения, равно 0,02 МПа;
Номинальная масса для МР-(50-300) равна 2-12 кг соответственно;
Условное давление равно 1,6 МПа;
Минимальный срок эксплуатации составляет 10 лет.
Материалы изготовления
ст. 20 с антикоррозийным покрытием;
ст. 09Г2С с антикоррозийным покрытием;
нержавеющая сталь;
Климатическое исполнение
У, ХЛ, УХЛ, Т, ОМ
Для ознакомления с продукцией и условиями заказа оформите запрос или воспользуйтесь бесплатным телефоном по всей России 8-800-550-08-40





