Описание
Дренчерный узел управления BERMAD PC11-FP-400E-3D с электрическим пуском/сбросом и устройством ручного аварийного пуска.
Основные преимущества:
- Безопасность и надежность, проверенные временем.
- Удаленный и ручной пуск/сброс.
- Все достоинства серии 400E:
– цельный корпус с эластомерной мембраной, изготовленной по фирменной технологии VRSD;
– отсутствие механических подвижных частей;
– высокая производительность;
– простое обслуживание узла управления:
в том числе замена внутренних деталей не требует демонтажа узла управления из линии;
– жесткое запирание – металлобрезиненный металл.
ТИПОВОЕ ПРИМЕНЕНИЕ
- Дренчерные системы и системы ТРВ.
- Водяное и пенное пожаротушение.
- Объекты нефтегазовой промышленностей.
- Морские объекты.
ОПЦИИ
- Сигнализатор давления.
- Взрывозащищенное исполнение соленоидного клапана.
- Исполнение для морской воды.
- Блок концевых выключателей и индикатор положения.
Технические характеристики
- UL-Listed, с электрическим пуском, с эластичной армированной мембраной.
- Проходная часть базового клапана выполнена без выступающих ребер жесткости и направляющих запорного элемента.
- Содержит всего один подвижный элемент – эластичную мембрану с армированной запорной частью.
- Базовый клапан обслуживается без демонтажа из линии – доступ к мембране осуществляется снятием крышки (4 болта).
- Элементы обвязки, трубные сгоны и фитинги выполнены из нержавеющей стали 316 и латуни.
- Узел управления поставляется в сборе и проходит испытания на заводе-изготовителе согласно стандартам ISO 9000 и 9001.
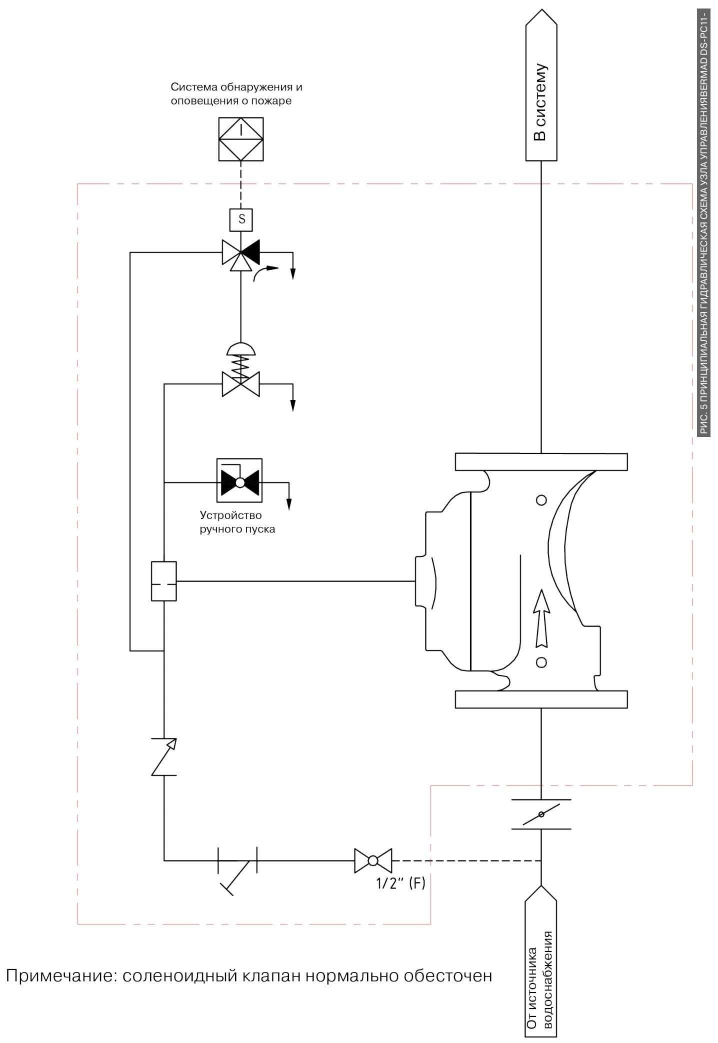
ПРИНЦИП РАБОТЫ СМ.РИС. 2
Узел управления BERMAD PC11-FP-400E-3D применяется в дренчерных системах с электрической системой обнаружения возгорания.
В дежурном режиме давление подающего трубопровода подается в камеру управления [1] базового клапана через обратный клапан [4] и дроссель [5] и удерживается там закрытым гидравлическим пилотным клапаном HRV-2 [2] и закрытым краном ручного пуска [7], обеспечивая таким образом плотное прилегание запорной части мембраны к седлу [8] – базовый клапан закрыт, питающий трубопровод остается сухим.
При поступлении управляющего сигнала на соленоидный клапан [6] он открывается, сбрасывая давление с камеры управления гидравлического пилотного клапана [2] и открывая его. Таким образом происходит отток воды из камеры управления [1] базового клапана – базовый клапан открывается, рабочая среда подается в питающий трубопровод, узел управления переходит в рабочий режим. налогичный сброс давления из камеры управления [1] базового клапана происходит при открытии крана ручного пуска [7].
Возврат системы в дежурный режим производится повторным электрическим сигналом на соленоидный клапан [6] и/или возвратом крана ручного пуска [7] в исходное положение.



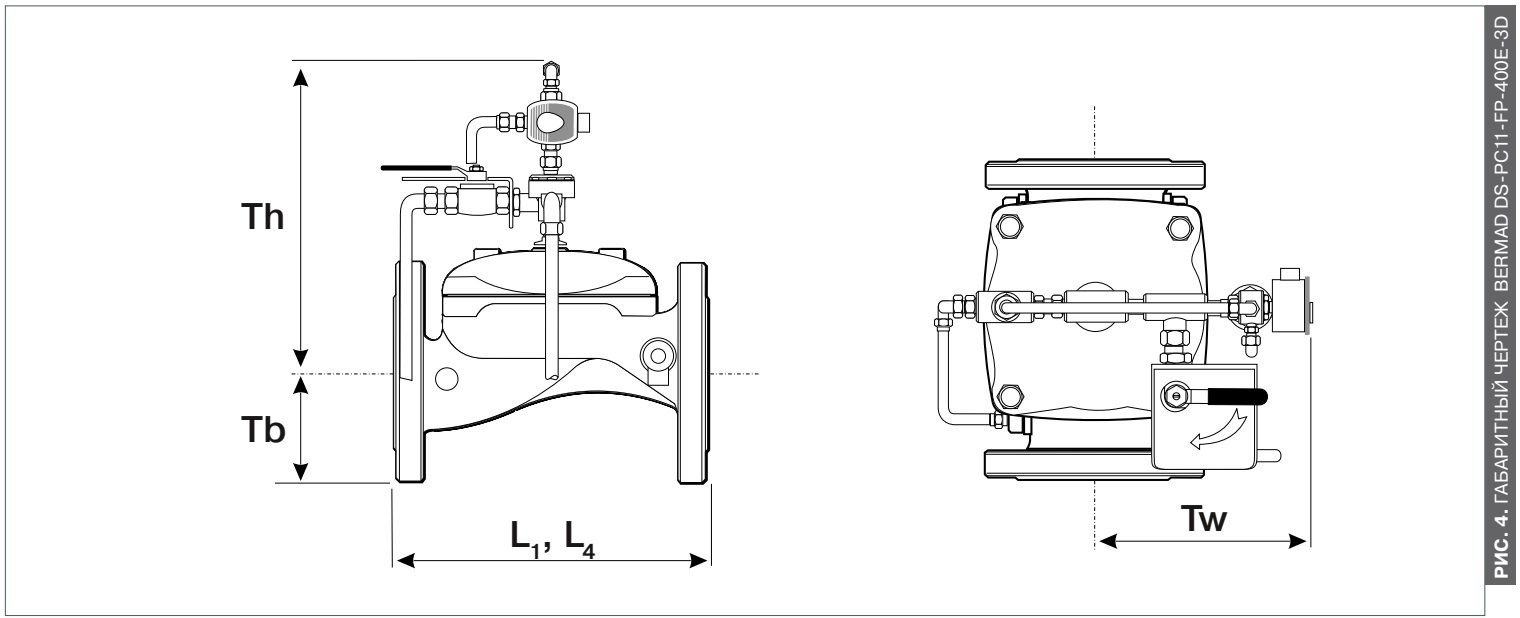
Примечания. (1) Габарит для фланцевых (RF ANSI #150, ISO 16). (2) Габарит для хомутовых исполнений. (3) Предусмотрите достаточное пространство вокруг узла управления для удобства сервисного обслуживания. (4) Точные габаритные размеры клапана с обвязкой зависят от пространственной конфигурации последней.
ТИП СОЕДИНЕНИЯ
- Фланцевое: ANSI B16.42 (ковкий чугун),
B16.5 (сталь и нерж. сталь),
B16.24 (бронза).
ISO PN16 - Хомутовое: ANSI/AWWA C606 для 2, 3, 4, 6 и 8”.
ТЕМПЕРАТУРА РАБОЧЕЙ СРЕДЫ
0,5–50 °C (33–122 °F).
ДОСТУПНЫЕ РАЗМЕРЫ
1½, 2, 2½, 3, 4, 6, 8, 10 & 12".
UL-Listed: 1½, 2, 2½, 3, 4, 6, 8 и 10”.
ДАВЛЕНИЕ
Максимальное рабочее давление: 250 psi (17 бар).
Максимальное рабочее давление может ограничиваться характеристиками соленоидного пилотного клапана.
СТАНДАРТНЫЕ МАТЕРИАЛЫ
- Корпус и крышка базового клапана
– ковкий чугун ASTM A-536 - Элементы базовго клапана
– нержавеющая сталь 304 и чугун - Обвязка
– латунь
– нержавеющая сталь 316 (трубы и фитинги) - Эластомер
– армированный полиизопреном нейлон - Покрытие
– Полиэстерное электростатическое красного цвета (RAL 3002)
МАТЕРИАЛЫ ПО ЗАПРОСУ
- Корпус и крышка базового клапана
– углеродистая сталь ASTM A-216 WCB
– нержавеющая сталь 316
– Ni-Al-бронза ASTM B-148 - Обвязка
– нержавеющая сталь 316
– монель® и Ni-Al-бронза
– хастеллой C-276 - Эластомер
– NBR
– EPDM - Покрытие
– многослойное порошковое эпоксидное с UV-защитой.
СОЛЕНОИДНЫЙ ПИЛОТНЫЙ КЛАПАН
- Стандартное исполнение
– 3-ходовой прямого действия
– материал корпуса: латунь
– нормально закрытый
– универсальный водонепроницаемый,
NEMA 4 и 4X / IP65, класс F
– 24 VDC, 8 Вт
– UL-Listed - Исполнение по запросу
– взрывозащитное исполнение:
• Class l Division 1, Gr. A, B, C, D, T4 (code 7)
• Class l Division 2, Gr. A, B, C, D, T4
• ATEX, EEx d llC T5 (код 9)
– нержавеющая сталь 316 (код K)


Спецификация на дренчерный узел управления BERMAD PC11-FP-400E-3D-GC-16-ER-4DC-NN (обозначение по ГОСТ Р 51052-2002: УУ-Д 40-300/2,8(Э12,24,220) В-УФ(М,Х).В4-"400E-3D-G-C-16-ER-4DC-NN") в общепромышленном исполнении

СОЛЕНОИДНЫЙ КЛАПАН BE370D-B2-17
ОСОБЕННОСТИ
- Корпус имеет степень пыле-влагозащиты IP67, интегрированная клеммная коробка.
- Пригоден для работы с пресной водой или воздухом.
- Есть исполнение для морской воды.
- Кабельный ввод: ½ " NPT.
ЭЛЕКТРОПИТАНИЕ
- потребляемая мощность: 8 Вт.
- напряжение: 24 VDC, 110 VDC/110-120 VAC (50-60Hz), 220 VDC/220-240 VAC (50-60 Hz).
- класс изоляции: класс Н.
- пыле-влагозащита: IP67, US тип - 3, 3S, 4, 4X, 6, 6P.
- максимальный рабочий цикл(ED): 100% (непрерывно).
- отклонения по напряжению: +10% ÷ -35%.
МАТЕРИАЛЫ
- Корпус: латунь
- Внутренние детали: нержавеющая сталь
- Уплотнения - HNBR, NBR
- стандарт - алюминий с эпоксидным покрытием.
- опция - нержавеющая сталь SS316

Спецификация на дренчерный узел управления BERMAD PC11-FP-400E-3D-G-C-16-ER-4DC-NN-9 (обозначение по ГОСТ Р 51052-2002: УУ-Д 40-300/2,8(Э12,24,220) В-УФ(М,Х).В4-"400E-3D-G-C-16-ER-4DC-NN-9") во взрывазащищенном исполнении

СОЛЕНОИДНЫЙ КЛАПАН BE370D-B2-87
ОСОБЕННОСТИ
- Максимальное рабочее давление 25 бар (365 фунтов / кв. дюйм) для воды/воздуха.
- Корпус с защитой IP67, встроенная клеммная коробка с защитным диодом (супрессором).
- сверхпрочная конструкция - подходит для экстремальных условий.
- кабельный ввод: ½ " NPT с адаптером от M25x1,5.
ЭЛЕКТРОПИТАНИЕ
- потребляемая мощность: 8 Вт.
- напряжение: 24 VDC, 110 VDC/110-120 VAC (50-60Hz), 220 VDC/220-240 VAC (50-60 Hz).
- класс изоляции: класс Н.
- пыле-влагозащита: IP67, US тип - 3, 3S, 4, 4X, 6, 6P.
- максимальный рабочий цикл(ED): 100% (непрерывно).
- отклонения по напряжению: +10% ÷ -35%.
МАТЕРИАЛЫ
- корпус: латунь или нержавеющая сталь SS316
- внутренние детали: нержавеющая сталь, уплотнения - HNBR
- корпус катушки: алюминий с эпоксидным покрытием или нержавеющая сталь SS316


ФОРМА ЗАПИСИ ПРИ ЗАКАЗЕ
Ниже приведены примеры формы записи при заказе узла управления с самыми распространенными опциями. В случае, если необходимо заказать узел управления с нескольким опциями, в конце заказного кодаследует последовательно указать все символы, обозначающие данные опции.


