Описание
Дренчерный узел управления BERMAD PC2-FP-400E-2M (обозначение по ГОСТ Р 51052-2002: УУ-Д 40-300/2,8(Э12,24,220)В-УФ(М,Х).В4-"400E-2M"), является запорным узлом на базе клапана типа Globe, с электрическим пуском и ручным сбросом, с эластомерной литой мембраной.
Базовый клапан УУ имеет полнопроходное сечение без каких-либо препятствий на пути потока: направляющих стержней, опорных ребер и т.п.
Срабатывание узла управления обеспечивается полностью периферически поддерживаемой, цельнолитой и сбалансированной мембраной, с прочным радиально уплотненным вулканизованным диском. Узел мембраны является единственной подвижной частью. Базовый клапан имеет съемную крышку для быстрого обслуживания или инспекции без демонтажа из трубопровода.
Трубы и фитинги обвязки управления клапана выполнены из нержавеющей стали S.S.316, с латунным покрытием других элементов, таких как гидравлическая защелка ручного сброса EasyLock, 2-ходовой соленоидный клапан, Y – фильтр и кран ручного аварийного пуска.
Обвязка управления поставляется предварительно полностью собранной и гидравлически испытанной на заводе, имеющем сертификаты ISO 9000 и 9001. Дренчерный узел управления DS-PC2-FP-400E-2M открывается по электрическому сигналу от системы обнаружения. Узел управления может быть сброшен в дежурный режим (закрытое положение) только при ручной активации локального устройства - гидравлической защелки ручного сброса EasyLock.
ОСОБЕННОСТИ И ПРЕИМУЩЕСТВА
- Открытая защелка – закрывается только локально вручную
- Цельная литая эластомерная подвижная часть - не требует обслуживания
- Простая конструкция – экономически эффективная
- Беспрепятственное полнопроходное сечение – бескомпромиссная надежность
- Полностью собранная и смонтированная обвязка – качество «из коробки»
- Обслуживание без демонтажа из линии – минимальное время простоя
ДОПОЛНИТЕЛЬНЫЕ ОПЦИИ
- Гидравлический сигнальный гонг
- Сигнализатор давления (код Р или Р7)
- Взрывозащищенное исполнение для опасных зон (код: 7/8/9)
- Исполнение для морской воды (префикс FS в форме записи при заказе)
- Гидравлический пуск
- Одно - или двухпозиционный концевой выключатель контроля положения клапана.
ТИПОВОЕ ПРИМЕНЕНИЕ
- Автоматические водяные или пенные установки
- Нефтехимические предприятия
- Туннели
- Электростанции и трансформаторы
- Склады горючих и легковоспламеняющихся материалов
- Аэропорты
Технические характеристики
- Дренчерный клапан, является запорным клапаном типа Globe, электрически управляемый, с эластомерной литой диафрагмой, имеет сертификат UL.
- Клапан имеет полнопроходное сечение без каких-либо препятствий на пути потока: направляющих стержней, опорных ребер и т.п.
- Срабатывание клапана обеспечивается полностью периферически поддерживаемой, цельнолитой и сбалансированной диафрагмой, с прочным радиально уплотняемым вулканизованным диском. Узел мембраны является единственной подвижной частью.
- Базовый клапан имеет съемную крышку для быстрого обслуживания без демонтажа из трубопровода, позволяющую проводить все необходимые инспекции и обслуживания.
- Трубы и фитинги обвязки управления клапана выполнены из нержавеющей стали S.S.316, с латунным покрытием других элементов, таких как гидравлическая защелка ручного сброса EasyLock, 2-ходовой соленоидный клапан, Y – фильтр и кран ручного аварийного пуска.
- Обвязка управления поставляется предварительно полностью собранной и гидравлически испытанной на заводе, имеющем сертификаты ISO 9000 и 9001.
- Электрически управляемый дренчерный клапан открывается по электрическому сигналу. Клапан может быть сброшен в дежурный режим (закрытое положение) только при ручной активации локального устройства сброса - гидравлической защелки ручного сброса EasyLock.


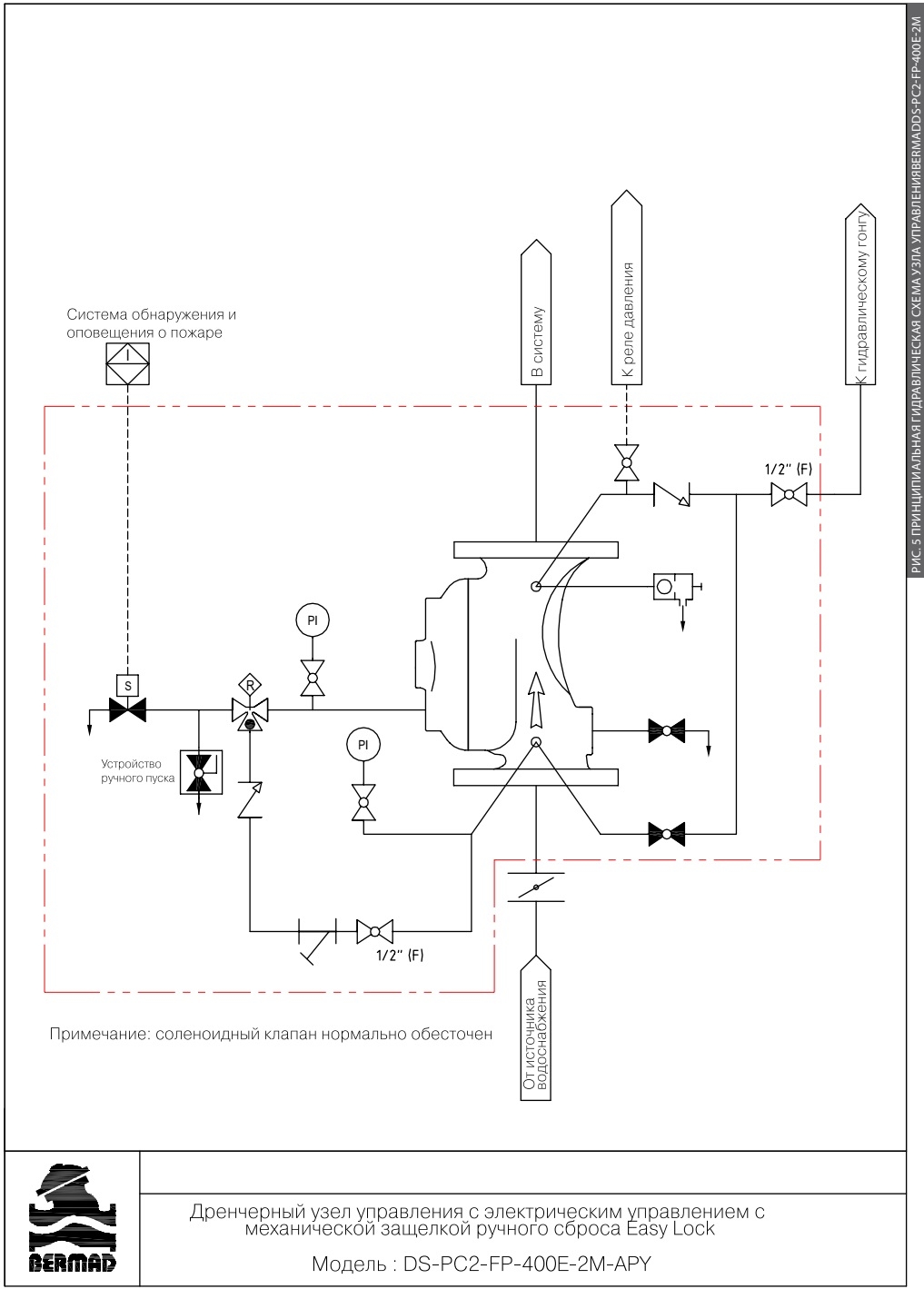
ПРИНЦИП РАБОТЫ [СМ. РИС. 3]
Узел управления Bermad модели PC2-FP-400E-2М применяется в системах, в которых при обнаружении пожара формируется управляющий электрический сигнал и существует сеть распределительных трубопроводов с различным количеством дренчерных
оросителей.
В дежурном режиме давление подается в питающую линию [2] обвязки на камеру управления базового клапана [1] через ручную гидравлическую защелку EasyLock [3]. Это давление запирается внутренним встроенным в защелку EasyLock обратным клапаном, закрытым двухходовым соленоидным клапаном [4] и закрытым краном ручного аварийного пуска [5]. Запертое давление удерживает диафрагму базового клапана на седле [6] плотно, не допуская какихлибо протечек и оставляя распределительный трубопровод системы сухим.


Примечания:
1. L1 для фланцев ANSI # 150 и ISO PN16.
2. L4 для соединений типа Грувлок (только для ковкого чугуна).
3. Обеспечьте достаточное пространство вокруг клапана для обслуживания.
4. Габаритные размеры, размеры и позиционирование отдельных компонентов
СТАНДАРТНЫ ПРИСОЕДИНЕНИЙ
Фланцы: ANSI B16/42 (Ковкий чугун), B16.24 (Бронза)
ISO PN16
Грувлок: ANSI/AWWA C606 для 2,3,4,6 и 8".
ТЕМПЕРАТУРА ВОДЫ
0,5 – 50°C (33 – 122°F)
РАЗМЕРНЫЙ РЯД
1½, 2, 2½, 3, 4, 6, 8, 10 & 12"
Размеры, сертифицированные по UL - 1½, 2, 2½, 3, 4, 6, 8 & 10”
ДАВЛЕНИЕ*
Максимальное рабочее давление: 250 psi (17 bar)
* Максимальное рабочее давление может быть ограничено
максимальным рабочим давлением соленоидного клапана
ВЫСОТА ВОДОЗАПОЛНЕННОЙ ПИЛОТНОЙ ЛИНИИ
При применении обратитесь к диаграмме:
Максимальная высота водозаполненной пилотной линии над клапаном» для модели PC2-FP-400E-1M.
КЛИМАТИЧЕСКОЕ ИСПОЛНЕНИЕ
В4 по ГОСТ 15160-69
СТАНДАРТНЫЕ МАТЕРИАЛЫ ПРОИЗВОДИТЕЛЯ
- Корпус и крышка главного клапана
Ковкий чугун ASTM A-536 - Внутренние элементы клапана
Нержавеющая сталь и эластомер - Обвязка управления
Компоненты управления и аксессуары - латунь
Трубы и фитинги - нержавеющая сталь 316 - Эластомеры
Нейлон, армированный тканью полизопрен NR - Покрытие
Электростатическое порошковое покрытие
красное (RAL 3002)
МАТЕРИАЛЫ ПО ЗАПРОСУ (ОПЦИЯ)
- Корпус базового клапана
углеродистая сталь ASTM A-216 WCB
Нержавеющая сталь 316
сплав Ni-Al-бронза ASTM B-148 - Обвязка управления
Нержавеющая сталь 316
Сплавы Monel® и Ni-Al-бронза
сплав никель-молибден-хром (Hastalloy С-276) - Эластомеры
NBR
EPDM - Покрытие
Высокопрочное эпоксидное антикоррозионное покрытие с УФ-защитой
СЕРТИФИКАЦИЯ
- Российская сертификация:
Сертификат соответствия техническому регламенту о требования пожарной безопасности (Федеральный закон от 22.07.2008 г. № 123-ФЗ), ГОСТ Р 51052-2002 "Установки водяного и пенного пожаротушения автоматические. Узлы управления. Общие технические требования. Методы испытаний" № RU C-RU. ПБ97.В.00313/19 - Международная сертификация:
UL listed


Спецификация на дренчерный узел управления BERMAD PC1-FP-400E-2M-G-C-16-ER-4DC-NN-APY (обозначение по ГОСТ Р 51052-2002: УУ-Д 40-300/2,8(Э12,24,220) В-УФ(М,Х).В4-"400E-2M-G-C-16-ER-4DC-NN-APY") в общепромышленном исполнении

СОЛЕНОИДНЫЙ КЛАПАН BE270CW-17
ОСОБЕННОСТИ
- высокая пропускная способность, отверстие 12 мм, минимум.
- управляется встроенным пилотным клапаном.
- цельнолитой эпоксидный корпус в стандартной комплектации.
- катушка класса Н и защитный диод.
ЭЛЕКТРОПИТАНИЕ
- 24 В постоянного тока или 120, 220 В переменного тока / 50-60 Гц (номинальная мощность указана в таблице).
- допустимое отклонение напряжения: + 10-35% для BE270CW.
МАТЕРИАЛЫ
- корпус: латунь.
- внутренние детали: нержавеющая сталь.
- мембрана: NBR.
- корпус катушки: литая эпоксидная смола.
- клеммная коробка: нержавеющая сталь SS316.
- опция: корпус клапана/ корпус катушки из нержавеющей стали 316.
МОНТАЖ И ОБСЛУЖИВАНИЕ
Соленоидный клапан является наиболее важным элементом дренчерного узла управления. Его должен устанавливать и подключать только квалифицированный и обученный персонал.
Электромагнитная катушка должна быть подключена в соответствии с существующими нормативными требованиями, такими как NEC / NFPA, NEMA, IEC или другими стандартами. Следует убедиться, что напряжение и частота тока в сети соответствуют маркировке, указанной на этикетке корпуса соленоидного клапана. Кабельный ввод катушки должен быть защищен от воздействия крутящего момента во время сборки. Используйте соответствующие инструменты, затягивая фитинг в кабельном вводе. После установки кабель или кабельный канал/гофра должны быть хорошо закреплены во избежание чрезмерной нагрузки на втулку кабельного ввода.
ПРЕДУПРЕЖДЕНИЕ:
Это устройство должно устанавливаться и подключаться только авторизованным электриком. Кабельный ввод на корпусе должен быть защищен от воздействия крутящего момента во время сборки с помощью соответствующих инструментов. При затягивании фитинга во втулке кабельного ввода необходимо контролировать, чтобы макс. крутящий момент не превышал 20 Нм.
ТЕХНИЧЕСКОЕ ОБСЛУЖИВАНИЕ:
Правильная работа соленоидного клапана должна периодически проверяться. Проверки и техническое обслуживание должны выполняться в соответствии с руководством по эксплуатации (РЭ) для конкретного клапана BERMAD, в обвязке которого установлено данное устройство. Рекомендуется проверять соленоидный клапан на предмет правильности подключения и наличия утечек ежемесячно.
Соленоидный клапан должен ежегодно проходить испытания. Во время испытаний должна проверяться работоспособность клапана в рабочих условиях, для чего должны моделироваться самые экстремальные условия работы системы. Устройство должно быть заменено в случае неисправности.

Спецификация на дренчерный узел управления BERMAD PC2-FP-400E-2M-G-C-16-ER-4DC-NN-A9PY (обозначение по ГОСТ Р 51052-2002: УУ-Д 40-300/2,8(Э12,24,220)В-УФ(М,Х).В4-"400E-2M-G-C-16-ER-4DC-NN-A9PY") во взрывазащищенном исполнении

СОЛЕНОИДНЫЙ КЛАПАН BE270CW-87
ОСОБЕННОСТИ
- высокая пропускная способность, отверстие 12 мм, минимум.
- управляется встроенным пилотным клапаном.
- цельнолитой эпоксидный корпус в стандартной комплектации.
- катушка класса Н и защитный диод.
- взрывозащищенное исполнение Ex d со встроенной клеммной коробкой.
ЭЛЕКТРОПИТАНИЕ
- 24 В постоянного тока или 120, 220 В переменного тока / 50-60 Гц (ном. мощность указана в таблице).
- допустимое отклонение напряжения: + 10-35% .
МАТЕРИАЛЫ
- корпус: нержавеющая сталь 316.
- внутренние детали: нержавеющая сталь.
- мембрана: NBR.
- корпус катушки: литая эпоксидная смола.
- клеммная коробка: нержавеющая сталь SS316.
- опция: корпус клапана/ корпус катушки из нержавеющей стали 316.
МОНТАЖ И ОБСЛУЖИВАНИЕ
Соленоидный клапан является наиболее важным элементом дренчерного узла управления. Его должен устанавливать и подключать только квалифицированный и обученный персонал. Электромагнитная катушка должна быть подключена в соответствии с существующими нормативными требованиями, такими как NEC / NFPA, NEMA, IEC или другими стандартами. Следует убедиться, что напряжение и частота тока в сети соответствуют маркировке, указанной на этикетке корпуса соленоидного клапана. Кабельный ввод катушки должен быть защищен от воздействия крутящего момента во время сборки. Используйте соответствующие инструменты, затягивая фитинг в кабельном вводе. После установки кабель или кабельный канал/гофра должны быть хорошо
закреплены во избежание чрезмерной нагрузки на втулку кабельного ввода.
ПРЕДУПРЕЖДЕНИЕ:
Это устройство должно устанавливаться и подключаться только авторизованным электриком. Кабельный ввод на корпусе должен быть защищен от воздействия крутящего момента во время сборки с помощью соответствующих инструментов. При затягивании фитинга во втулке кабельного ввода необходимо контролировать, чтобы макс. крутящий момент не превышал 20 Нм.
ТЕХНИЧЕСКОЕ ОБСЛУЖИВАНИЕ:
Правильная работа соленоидного клапана должна периодически проверяться. Проверки и техническое обслуживание должны выполняться в соответствии с руководством по эксплуатации (РЭ) для конкретного клапана BERMAD, в обвязке которого установлено данное устройство. Рекомендуется проверять соленоидный клапан на предмет правильности подключения и наличия утечек ежемесячно. Соленоидный клапан должен ежегодно проходить испытания. Во время испытаний должна проверяться работоспособность клапана в рабочих условиях, для чего должны моделироваться самые экстремальные условия работы системы. Устройство должно быть заменено в случае неисправности.
МОДЕЛЬ BE270CW ATEX, EX D IIC T6
Этот соленоидный клапан сертифицирован в ATEX для опасных зон II 2 G Ex d d IIC T6. Классификация зон для зоны 1 или зоны 2 в соответствии с директивой ATEX 94/9 / EC. Он имеет пыле-влагозащиту IP 66, конструкцию, рассчитанную на непрерывный режим работы, в стандартную комплектацию входит изоляция катушки по классу H и защитный диод (супрессор). Корпус выполнен во взрывозащищенном исполнении Ex d и оснащен встроенной алюминиевой клеммной коробкой с эпоксидным покрытием, включая винтовые клеммы, с кабельным вводом с резьбой ½ " NPT.
Сам корпус соленоидного клапана в стандартной комплектации изготовлен из нержавеющей стали 316, а в качестве опции доступен корпус из нержавеющей стали 316 электромагнитной катушки.

ФОРМА ЗАПИСИ ПРИ ЗАКАЗЕ
Ниже приведены примеры формы записи при заказе узла управления с самыми распространенными опциями. В случае, если необходимо заказать узел управления с нескольким опциями, в конце заказного кода следует последовательно указать все символы, обозначающие данные опции.


