Описание
Узел управления BERMAD PC6-FP-43Т представляет собой высокоточный регулятор давления «до себя». Благодаря высокой надежности и производительности в соответствии с самыми строгими стандартами, узел идеально подходит для уменьшения нагрузок на пожарный насос. Также может использоваться для поддержания давления в системе дозирования пенообразователя для сбалансированной работы системы. Узел управления BERMAD PC6-FP-43Т может быть оснащен индикатором положения и блоком концевых выключателей, который может взаимодействовать с любой системой обнаружения возгорания.
ОСНОВНЫЕ ПРЕИМУЩЕСТВА
- Безопасность и надежность, проверенные временем.
- Быстрый и плавный ответ на всплеск давления.
- Все достоинства серии 400Y:
– цельный корпус с эластомерной мембраной, изготовленной по фирменной технологии VRSD;
– полнопроходный, без конструктивных препятствий потоку;
– отсутствие механических движущихся частей;
– высокая производительность;
– одобрен для PN 25 бар/365 psi;
– строительные размеры стандартизированы по ISO 5752, по EN 558-1;
– обслуживание узла управления, в том числе замена внутренних деталей, не требует демонтажа из линии;
– жесткое запирание – металл-обрезиненный металл; - Соответствует требованиям отраслевых стандартов;
- Сброс воды: атмосфера/дренаж/возврат. Аварийная эпизодичная ситуация.
ТИПОВОЕ ПРИМЕНЕНИЕ
- Защита пожарного насоса от перепадов давления.
- Поддержание давления в системе дозирования пенообразователя.
- Предотвращение гидроудара.
- Сброс давления в центральном водопроводе.
ОПЦИИ
- Исполнение для морской воды.
- Входной фильтр.
- Седло из нержавеющей стали.
- Блок концевых выключателей и индикатор положения.
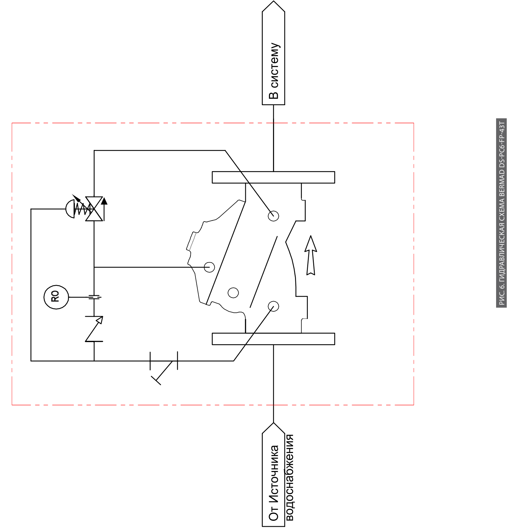
ПРИНЦИП РАБОТЫ СМ.РИС. 2
Узел сброса давления BERMAD PC6-FP-43Т закрыт, пока давление на его входе остается ниже предустановленного. Предустановленное давление может быть отрегулировано с помощью регулировочного винта [4] пилотного клапана сброса давления [1]. При превышении давлением на входе [2] заданного значения пилотный клапан открывается и отводит давление от камеры управления [3] базового клапана, таким образом сбрасывает избыточное давление на входе.

УСТАНОВКА СИСТЕМЫ
Узел управления BERMAD PC6-FP-43Т содержит пилотный клапан сброса давления для автоматической и точной регулировки давления «до себя». Быстрое и надежное открытие узла PC6-FP-43Т позволяет сбрасывать давление в системе в отстойник или атмосферу. Одобрен в соответствии со стандартами NFPA, UL и FM для применения в системах с пожарными насосами. Уникальная конструкция привода обеспечивает быстрое и плавное приведение клапана в рабочее состояние.

РЕДУКЦИОННЫЕ СИСТЕМЫ
Быстрый пуск узла сброса давления PC6-FP-43Т в ответ на повышение входного давления предотвращает повреждение чувствительного к перепадам оборудования и обеспечивает поддержку номинального давления во всей системе, а также осуществляет тепловой сброс: сбрасывает избыточное давление, вызванное повышением температуры сред. В таблице соотнесены размеры узлов сброса давления с размерами редукционных.
|
PC7-FP-42T |
1,5"(40) |
2"(50) |
3"(80) |
4"(100) |
6"(150) |
8"(200) |
10"(250) |
12"(300) |
14"(350) |
16"(400) |
|
PC6-FP-43T |
¾"(20) |
¾”(20) |
1½”(40) |
2”(50) |
3”(80) |
3”(80) |
4”(100) |
4”(100) |
4”(100) |
4”(100) |
ЗАЩИТА ПОЖАРНЫХ НАСОСОВ
Узел управления BERMAD PC6-FP-43Т применяется для стравливания избыточного давления, которое образуется при пуске или остановке пожарного насоса, предотвращая повреждения от резких перепадов напора.
Технические характеристики
Узел управления BERMAD PC6-FP-43Т соответствует стандартам UL и FM и одобрен на давление 25 бар/365 psi.
Корпус базового клапана Y-образный, полнопроходный с эластомерной мембраной. Мембрана является единственной подвижной частью базового клапана. Мембрана с армированной запорной частью в сочетании с конструкцией корпуса нивелирует неравномерную нагрузку на запорный элемент, обеспечивая предсказуемый и устойчивый контакт с седлом. Это обеспечивает надежное водонепроницаемое соединение с седлом клапана.
Обслуживание узла управления, в том числе замена внутренних деталей, не требует его демонтажа из линии. Узел управления BERMAD PC6-FP-43Т поставляется в предварительно собранном виде и проходит гидравлические испытания на производстве, сертифицированном по стандартам ISO 9000 и 9001.

РАЗМЕРНЫЙ РЯД
Фланцевое соединение – 1½, 2, 3, 4, 6, 8, 10, 12, 14 и 16".
Хомутное соединение – 1½, 2, 3, 4, 6 и 8".
Муфтовое соединение – 1½ и 2".
РАБОЧЕЕ ДАВЛЕНИЕ
ANSI#150 – 16 бар/235 psi.
ANSI#300 – от 1½ до 10": 25 бар/365 psi.
от 12 до 16" 20 бар/300 psi.
Хомутное/муфтовое – согласно таблице ниже.
Диапазон установки
Class #150 / PN16: 4–16 бар (60–235 psi).
Class #300 / PN25: 7–25 бар (100–365 psi).
Максимальный перепад для сбросового или PSV:
25 бар/350 psi.
Максимальный перепад PCV: 12 бар/175 psi.
ЭЛАСТОМЕР
HTNR – составной армированный жаростойкий.
ГЕРМЕТИЧНОСТЬ ЗАТВОРА
Класс А согласно ГОСТ 9544-2015.


Примечания.
(1) Габарит для фланцевых (RF ANSI #150, ISO 16), резьбовых и муфтовых исполнений.
(2) Габарит для фланцевых (RF ANSI #300, ISO 25) исполнений.
(3) Leq (эквивалентная длина трубы) указана для полностью открытого клапан с турбулентным потоком в новой стальной трубе сортамента 40 (только для примера).
(4) Kv/Cv указаны для полностью открытого клапана.
(5) Точные габаритные размеры клапана с обвязкой зависят от пространственной конфигурации последней.


Спецификация на дренчерный узел управления BERMAD PC6-FP-43T-H-C-16-ER-NN (обозначение по ГОСТ Р 51052-2002: УУ-Д (40-300)/2,8(Г0,07)В-УФ(М,Х).В4 -400Y-43T-HC-16-ER-NN) в общепромышленном исполнении:

ФОРМА ЗАПИСИ ПРИ ЗАКАЗЕ
Ниже приведены примеры формы записи при заказе узла управления с самыми распространенными опциями. В случае, если необходимо заказать узел управления с нескольким опциями, в конце заказного кода следует последовательно указать все символы, обозначающие данные опции.

*обозначение по ГОСТ Р 51052-2002

